text.skipToContent text.skipToNavigation
Kantvinkel for Dørkeplater S235JR
Bearbeidingsalternativer
+
Leveransealternativer
+
Legg til sertifikat
Velg varianter for å se listepris
Produktinformasjon

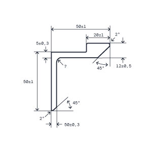
Kantprofil nr. 2 i ubehandlet stål S235JR uten sveisede stifter, standard bærelengde er 6 meter.

Dokumenter (nedlastninger)
Produkt detaljer
Rask bestilling
Bearbeidingsalternativer

Velg kappetype

Leveransealternativer
Valgt dato Dellevering mulig


Logg inn

Jeg har glemt mitt passord

Det gleder oss at du vil bli kunde hos Tibnor. For at du som bedriftskunde skal kunne handle hos oss må du søke om et kundenummer

Søk om kundekonto hos Tibnor

*Merk deg at Tibnor kun selger til bedriftskunder, dessverre ikke til privatpersoner. Søknader uten et organisasjonsnummer kommer ikke til å behandles.